一、设计规范
设计制造:JB/T8937 API6D BS1868
结构长度:JB/T8937 ASME B16.10
配管法兰:JB/T74 ANSI B16.5
试验与检验:JB/T9092-1999 API598 API6D
二、主要特点
1、阀瓣行程短,关阀冲击力小;
2、流道通畅,流体阻力小;
3、整体结构,简单紧凑,造型美观;
4、水平和垂直管道均可使用,安装方便。
5、Class150-Class900止回阀阀体阀盖为螺栓结构,Class1500-Class2500的止回阀中法兰采用内压自密封结构,使得产品体积小,重量轻,密封可靠。
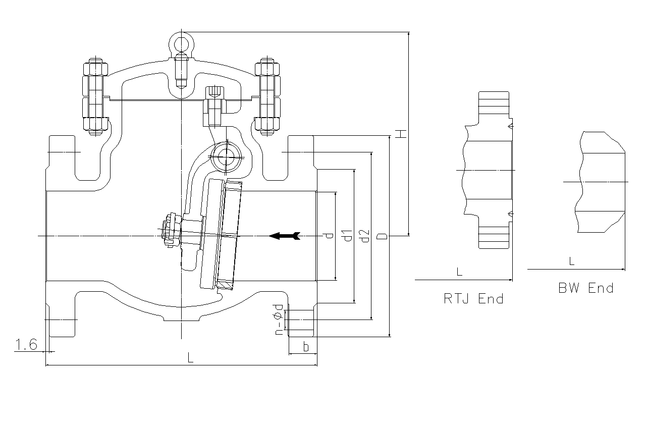
三、结构尺寸
|
口径 |
Class150(PN20) |
Class300(PN50) |
|||||||||
|
DN |
NPS |
L |
d |
H |
L |
d |
H |
||||
|
RF |
RTJ |
BW |
RF |
RTJ |
BW |
||||||
|
50 |
2 |
203 |
216 |
203 |
51 |
132 |
267 |
283 |
267 |
51 |
144 |
|
65 |
21/2 |
216 |
229 |
216 |
64 |
147 |
292 |
308 |
292 |
64 |
169 |
|
80 |
3 |
241 |
254 |
241 |
76 |
176 |
318 |
333 |
318 |
76 |
210 |
|
100 |
4 |
292 |
305 |
292 |
102 |
198 |
356 |
371 |
356 |
102 |
260 |
|
125 |
5 |
330 |
343 |
330 |
127 |
255 |
400 |
416 |
400 |
127 |
295 |
|
150 |
6 |
356 |
368 |
356 |
152 |
320 |
445 |
460 |
445 |
152 |
326 |
|
200 |
8 |
495 |
508 |
495 |
203 |
380 |
533 |
549 |
533 |
203 |
380 |
|
250 |
10 |
622 |
635 |
622 |
254 |
440 |
622 |
638 |
622 |
254 |
440 |
|
300 |
12 |
699 |
711 |
699 |
305 |
480 |
711 |
727 |
711 |
305 |
520 |
|
350 |
14 |
787 |
800 |
787 |
337 |
530 |
838 |
854 |
838 |
337 |
540 |
|
400 |
16 |
864 |
876 |
864 |
387 |
580 |
864 |
879 |
864 |
387 |
588 |
|
450 |
18 |
978 |
991 |
978 |
438 |
618 |
978 |
994 |
978 |
438 |
670 |
|
500 |
20 |
978 |
991 |
978 |
489 |
657 |
1016 |
1035 |
1016 |
489 |
720 |
|
Class600(PNl10) |
CIass900(PN150) |
||||||||||
|
50 |
2 |
292 |
295 |
292 |
51 |
170 |
368 |
371 |
368 |
51 |
200 |
|
65 |
21/2 |
330 |
333 |
330 |
64 |
178 |
419 |
422 |
419 |
64 |
220 |
|
80 |
3 |
356 |
359 |
356 |
76 |
246 |
381 |
384 |
381 |
76 |
280 |
|
100 |
4 |
432 |
435 |
432 |
102 |
290 |
457 |
460 |
457 |
102 |
320 |
|
125 |
5 |
508 |
511 |
508 |
127 |
320 |
559 |
562 |
559 |
127 |
360 |
|
150 |
6 |
559 |
562 |
559 |
152 |
360 |
610 |
613 |
610 |
152 |
400 |
|
200 |
8 |
660 |
664 |
660 |
203 |
430 |
737 |
740 |
737 |
203 |
480 |
|
250 |
10 |
787 |
791 |
787 |
254 |
502 |
838 |
841 |
838 |
254 |
560 |
|
300 |
12 |
838 |
841 |
838 |
305 |
554 |
965 |
968 |
965 |
305 |
632 |
|
Class1500(PN260) |
Class2500(PN420) |
||||||||||
|
50 |
2 |
368 |
371 |
368 |
51 |
210 |
451 |
454 |
451 |
42 |
230 |
|
65 |
21/2 |
419 |
422 |
419 |
64 |
240 |
508 |
514 |
508 |
52 |
260 |
|
80 |
3 |
470 |
473 |
470 |
76 |
303 |
578 |
584 |
578 |
62 |
330 |
|
100 |
4 |
546 |
549 |
546 |
102 |
340 |
673 |
683 |
673 |
87 |
370 |
|
125 |
5 |
673 |
676 |
673 |
127 |
380 |
794 |
807 |
794 |
96 |
410 |
|
150 |
6 |
705 |
711 |
705 |
144 |
430 |
914 |
927 |
914 |
131 |
460 |
|
200 |
8 |
832 |
841 |
832 |
192 |
500 |
1022 |
1038 |
1022 |
179 |
530 |
|
250 |
10 |
991 |
1000 |
991 |
239 |
590 |
1270 |
1292 |
1270 |
223 |
620 |
